Have you ever wondered how the countless gadgets and devices in your home actually work? From your smartphone to your laptop, many of the electronics you use every day rely on a specific type of electrical current to function.
You might be surprised to learn that the electricity flowing through your walls isn’t quite the same as what powers these devices. This raises the intriguing question: does home electronics convert AC (alternating current) to DC (direct current)? Understanding this conversion is crucial not only for the tech-savvy but for anyone curious about the hidden processes that make modern life so convenient.
Unraveling this mystery can enhance your appreciation of the technology you depend on and possibly save you from future headaches. So, if you’re ready to dive into the fascinating world of electrical currents and discover how your devices truly operate, keep reading. You might just find the answers to questions you didn’t even know you had.
Ac And Dc Currents
Electricity powers almost every device in our homes. It comes in two main types: alternating current (AC) and direct current (DC). Understanding these currents helps explain how home electronics work. Most homes receive AC from power companies. Many devices, though, need DC to function properly. This creates a need for conversion from AC to DC inside many gadgets.
Differences Between Ac And Dc
- AC (Alternating Current):Changes direction periodically.
- DC (Direct Current):Flows in one steady direction.
- AC voltage rises and falls in a wave pattern.
- DC voltage remains constant over time.
- AC is easier to transport over long distances.
- DC is used for batteries and electronic circuits.
Common Uses In Home Electronics
Power outlets in homes supply AC. Devices like lamps and refrigerators run directly on AC. Many electronic devices need DC to work. Examples include:
- Smartphones
- Laptops
- LED TVs
- Game consoles
- Chargers and adapters
These devices contain components called rectifiers. Rectifiers convert AC into usable DC power. This conversion enables electronics to function safely and efficiently.

Credit: www.ariat-tech.com
How Electronics Convert Ac To Dc
Understanding how electronics convert AC (alternating current) to DC (direct current) is key to grasping how your home devices work seamlessly. Most home electronics don’t run directly on the AC power that comes from your outlets. Instead, they rely on a conversion process that changes AC into a stable and usable DC voltage.
This conversion is a combination of several components working together. Each plays a distinct role in ensuring the electricity powering your devices is safe and efficient. Let’s break down these components and see how they work.
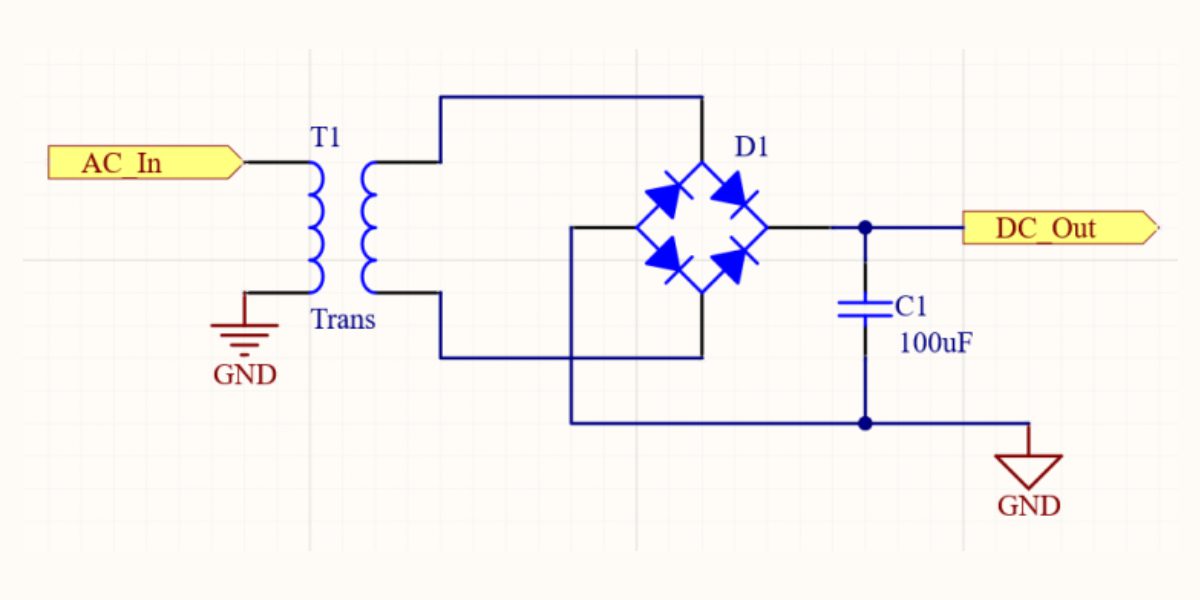
Role Of Rectifiers
Rectifiers are the heart of AC to DC conversion. They take the alternating current, which switches direction periodically, and convert it into current flowing in one direction only.
Most rectifiers use diodes, which act like one-way gates for electricity. This process creates a pulsed DC output, which still needs smoothing to be useful for electronics.
Function Of Transformers
Transformers adjust the voltage level of the incoming AC power before conversion. This means they can either increase or decrease the voltage to match what the device requires.
Imagine plugging in a device designed for 12 volts into a 120-volt outlet without a transformer; that would damage the device. Transformers ensure the voltage is right and safe for further processing.
Use Of Voltage Regulators
After rectification and voltage adjustment, the DC output can still have fluctuations or noise. Voltage regulators smooth out these irregularities and keep the voltage steady.
This steady voltage is critical for sensitive electronics like smartphones or laptops, where even small voltage spikes can cause damage or reduce performance. Regulators provide the reliable power your devices need to run smoothly.
Examples Of Ac To Dc Conversion In Devices
Many home electronics convert AC to DC to function properly. Electrical outlets supply alternating current (AC), but most devices need direct current (DC). This change happens inside the device using special components. Below are common examples of devices that perform this conversion.
Power Adapters And Chargers
Power adapters and chargers convert AC from the wall into DC for devices. They use transformers and rectifiers to lower voltage and change current type. This allows safe charging of phones, tablets, and other gadgets.
Television Sets
Televisions receive AC power but run their internal circuits on DC. Inside, power supplies convert AC to DC. This powers the screen, sound system, and smart features efficiently and reliably.
Computers And Laptops
Computers and laptops need stable DC power to operate. Their internal power supplies convert AC from the outlet to multiple DC voltages. This supports processors, memory, and storage devices.
Why Conversion Is Necessary
Home electronics need direct current (DC) to work properly. The power from wall outlets is alternating current (AC). This difference means devices must change AC into DC. This conversion is important for several reasons.
Safety Considerations
AC can be dangerous for small electronic parts. High voltage AC can cause shocks or damage. Converting AC to DC lowers the risk. It makes the device safer to use and handle. This conversion protects both the device and the user.
Device Performance
Most electronic devices run better on DC power. DC provides a steady flow of electricity. AC power changes direction many times per second. This can cause flickering or poor performance. DC helps devices work smoothly and last longer.
Energy Efficiency
DC power is easier to control and store. Batteries and circuits work best with DC. Converting AC to DC reduces energy loss. This makes devices more energy-efficient and cost-effective. Less wasted power means lower electricity bills.
Common Components Involved
To understand how home electronics convert AC to DC current, it’s important to recognize the key components involved. These parts work together to change the electrical flow into a form your devices can use safely and efficiently. Knowing what each component does can help you troubleshoot or even improve your electronic setups.
Diodes And Their Role
Diodes are the gatekeepers in the conversion process. They allow current to flow in only one direction, blocking the reverse flow. This selective flow is what changes alternating current (AC) into pulsating direct current (DC).
Think about a simple power adapter for your phone. Inside, you’ll find diodes arranged in a pattern called a bridge rectifier. This setup flips the negative part of the AC wave, creating a one-way current flow that your device can use.
Capacitors For Smoothing
After diodes do their job, the current isn’t a steady, smooth flow yet. It’s more like a series of pulses. That’s where capacitors come in.
Capacitors store and release electrical energy to fill in the gaps between pulses. This action smooths out the ripples, giving your device a more stable DC current. Without capacitors, your electronics might behave unpredictably or even get damaged.
Transformers For Voltage Adjustment
Before the AC current even reaches the diodes, it often passes through a transformer. Transformers adjust the voltage level to match what your device needs.
If you plug a device into a high-voltage outlet, the transformer steps down the voltage to a safer level. It can also step up voltage in other cases. This ensures the rest of the components work under the right electrical conditions.

Credit: www.e-switch.com
Troubleshooting Conversion Issues
When your home electronics fail to properly convert AC to DC current, it can cause frustrating performance issues. Troubleshooting these conversion problems requires careful observation and a systematic approach. Understanding the symptoms and knowing some basic fixes can save you time and money, but sometimes the problem calls for expert intervention.
Signs Of Faulty Conversion
You might notice your device isn’t powering on or shuts down unexpectedly. Flickering screens, unusual noises, or overheating are also red flags. Sometimes, chargers or adapters feel unusually warm, indicating inefficient conversion or internal damage.
Have you ever wondered why your phone charger suddenly stops working even though the outlet is fine? That’s often a sign the AC to DC conversion inside the adapter is faulty. Keep an eye out for inconsistent charging speeds or devices that only work when plugged in but won’t hold a charge.
Basic Fixes And Precautions
- Unplug the device and inspect the power cord and adapter for visible damage.
- Try using a different outlet or power strip to rule out external power issues.
- Clean the charging port gently to remove any dust or debris blocking connection.
- Reset the device if it has a reset function, which can clear minor faults.
Taking these precautions can sometimes restore normal function without the need for repairs. However, avoid opening the device yourself unless you have the right tools and knowledge—it could void warranties or cause further damage.
When To Seek Professional Help
If your device continues to show signs of faulty conversion despite basic troubleshooting, it’s time to call in the experts. Internal components like rectifiers, capacitors, or transformers may have failed and need replacement.
Trying to fix complex electronics without expertise can lead to electric shock or permanent damage. Professionals have the tools and experience to diagnose and repair power conversion issues safely. Don’t ignore persistent problems—acting early can prevent costly replacements.

Credit: www.anzer-usa.com
Frequently Asked Questions
Does Home Electronics Convert Ac To Dc Current?
Yes, most home electronics convert AC to DC current. Devices like TVs, computers, and chargers use power adapters to change AC from outlets into DC for internal circuits.
Why Do Home Devices Need Dc Instead Of Ac?
Home devices need DC because their components operate on stable, low-voltage direct current. AC can damage sensitive electronics and cause malfunction or inefficiency.
How Do Power Adapters Convert Ac To Dc?
Power adapters use a rectifier circuit with diodes to convert AC to DC. They also include transformers and filters to stabilize and smooth the output voltage.
Can All Home Electronics Convert Ac To Dc?
Not all, but most modern electronics do. Some appliances like heaters or lamps use AC directly without conversion since they don’t need DC power.
Conclusion
Home electronics often change AC to DC to work properly. Devices like TVs, computers, and chargers need DC power. This conversion helps protect the electronics and make them run smoothly. Knowing this can help you understand how your devices function.
It also explains why adapters and power supplies are important. Next time you plug in a device, remember the hidden change from AC to DC. This simple step keeps your electronics safe and working well.

Leave a Reply